

鼓形齒式聯(lián)軸器(GIICL、GIICLZ、WGP)
特點:其主要結構由內齒圈和鼓形齒外齒軸套等主要零件組成。
1)、補償性能好。由于外齒軸套為鼓形齒,聯(lián)軸器工作時可避免內外齒棱角接觸,允許兩軸軸線角位移±1.5º,當角位移在2~3º時也能的工作。一般推薦允許角位移1º30ˊ~2º30ˊ;
2)、能承受重載及沖擊載荷,在相同角位移情況下比直齒聯(lián)軸器承載能力提高15~20%;
3)、,可達0.99;
4)、密封性好,使用,裝卸、維護方便;
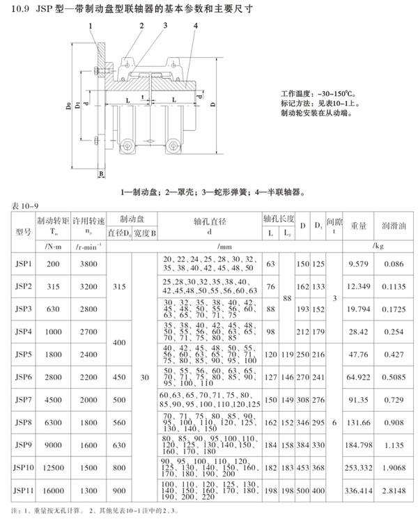
JSP型帶制動盤型聯(lián)軸器與直齒式聯(lián)軸器相比,外形尺寸小,承載能力大,在高速運轉時工作。應用范圍:適用于冶煉、軋鋼、重型機械、汽輪機、石油化工業(yè)、船舶等各行業(yè)。